SSMART ECO KIT 4c M/KIT CARRETILLAS DE CUATRO RUEDAS

https://ssmadretierra.com/web/image/product.template/1643/image_1920?unique=89c73eb


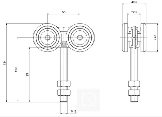
Kit de carretillas para puertas colgantes:
Marca; Comunello.
Modelo: 1991-8125.

Características:
Carretilla para puertas colgantes
Carretilla con 4 ruedas con cojinete
Fijación mediante tuerca y contratuerca.
Fabricada en acero galvanizado por electrolisis Carga soportada de 150lbs.
Peso de la carretilla 1.1 kg

Notas adicionales:
Partes sujetas a desgaste: Ruedas y cojinete:
Mantenimiento requerido de acuerdo a su marga de uso.
Al dar mantenimiento se requiere verificar el desgaste de las ruedas y verificar la fijación de la carga.
Solo compatible con el riel 1020-0583-001.

653.97 653.97 MXN 653.97

653.97

    Esta combinación no existe.