SSMELE 750-375

https://ssmadretierra.com/web/image/product.template/1424/image_1920?unique=a231b00

Acoplador de bus de campo PROFINET IO; 3ª Generación; Advanced
Marca: WAGO
Tiempo de entrega: 3 a 4 días,

18,699.66 18699.66 MXN 18,699.66

18,699.66

    Esta combinación no existe.

    Ficha Técnica: 750-375

    Datos técnicos

    ComunicaciónPROFINET IO
    Específico de dispositivoPerfiles compatibles: PROFIsafe V2, PROFIenergy V1.0; código de id.: id. de distribuidor: 0x011D; id. de dispositivo: 0x02EE; id. de módulo: 0x01000177 (firmware versión 01, 02), 0x02000177 (a partir de versión de firmware 03)
    Propiedades de PROFINET IOSwitch de 2 puertos integrado; negociación automática; Auto-MDIX; comunicación isócrona en tiempo real; reloj de transmisión: 1 ms (RT); 1, 2, 4 ms (IRT); sustitución de dispositivo sin herramienta de programación
    Velocidad de transmisión10/100 Mbit/s ( (10 Mbit/s (protocolos ETHERNET), 100 Mbit/s «full duplex» (PROFINET IO)))
    Longitud de segmento de bus (máx.)100 m
    Medio de transmisión (comunicación/bus de campo)Par trenzado S-UTP; 100 Ω; cat. 5
    Número de módulos por nodo (máx.)250
    Número de módulos sin prolongación del bus de campo (máx.)64
    Imagen de proceso de entrada y salida (bus de campo) (máx.)512 bytes/512 bytes
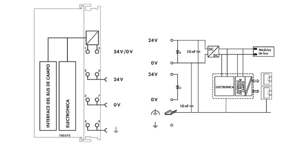
    Tensión de alimentación (sistema)24 VCC (-25 … +30 %); a través de conector enchufable (conexión CAGE CLAMP®)
    Consumo de energía (alimentación de sistema de 5 V)450mA
    Corriente total (alimentación de sistema)1,700mA
    Tensión de alimentación (campo)24 VCC (-25 … +30 %); a través de contactos de potencia
    Corriente de entrada (típ.) a carga nominal (24 V)500mA
    Eficacia de fuente de alimentación (típ.) a carga nominal (24 V)90%
    Aislamiento500 kV para sistema/campo
    Número de contactos de potencia salientes3
    Intensidad de corriente admisible (contactos de cuchilla)10A

    Datos de conexión

    Tecnología de conexión: comunicación/bus de campoPROFINET IO: 2 x RJ-45
    Tecnología de conexión: alimentación de campo6 x CAGE CLAMP®
    Tecnología de conexión: alimentación de sistema2 x CAGE CLAMP®
    Materiales de conductor conectableCobre
    Tipo de conexión (1)Alimentación de sistema/campo
    Conductor rígido0,08 … 2,5 mm² / 28 … 14 AWG
    Conductor flexible0,08 … 2,5 mm² / 28 … 14 AWG
    Longitud de pelado8 … 9 mm / 0.31 … 0.35 pulgadas
    Tecnología de conexión: configuración de dispositivos1 x Conector macho; 4 polos

    Datos geométricos

    Anchura61,5 mm / 2.421 pulgadas
    Altura100 mm / 3.937 pulgadas
    Profundidad71,9 mm / 2.831 pulgadas
    Profundidad desde el borde superior del carril DIN64,7 mm / 2.547 pulgadas

    Datos mecánicos

    Tipo de montajeCarril DIN-35

    Requisitos medioambientales

    Temperatura ambiente (funcionamiento)0 … +55 °C
    Temperatura de aire circundante (almacenamiento)-25 … +85 °C
    Tipo de protecciónIP20
    Grado de ensuciamiento (5)2 según CEI 61131-2
    Altitud de operación0 … 2000 m
    Posición de montajeHorizontal left, horizontal right, horizontal top, horizontal bottom, vertical top and vertical bottom
    Humedad relativa (sin condensación)95%
    Resistencia a la vibración4g según CEI 60068-2-6
    Resistencia al choque15g según CEI 60068-2-27
    Inmunidad a la interferencia (CEM)Según EN 61000-6-2, aplicaciones marítimas
    Emisión de interferencia (CEM)Según EN 61000-6-3, aplicaciones marítimas
    Exposición a contaminantesSegún CEI 60068-2-42 y CEI 60068-2-43
    Concentración de contaminantes H2S admitida a una humedad relativa 75 %10ppm
    Concentración de contaminantes SO2 admitida a una humedad relativa 75 %25ppm