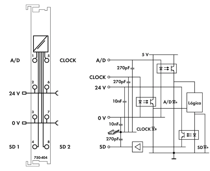
SSMELE 750-404

https://ssmadretierra.com/web/image/product.template/95/image_1920?unique=d35555a

Contador ascendente/descendente.
Tiempo de Entrega: 10 semanas

9,009.61 9009.61 MXN 9,009.61

9,009.61

    Esta combinación no existe.

    Datos Técnicos

    Número de salidas digitales2
    Número de contadores1
    Tipo de señalTensión
    Tipo de señal de tensión24 VCC
    Profundidad de contador32bits
    Corriente de entrada (típ.)6 mA
    Corriente de salida por canal0.5A
    Corriente de salidaProtegido contra cortocircuito
    Frecuencia de conmutación (máx.)100 kHz
    Rango de tensión para señal (0)−3 … +5 VCC
    Rango de tensión para señal (1)15 … 30 VCC
    Ancho de datos32-bit data; 8-bit control/status
    Tensión de alimentación (sistema)5 VCC; a través de contactos de datos
    Consumo de energía (alimentación de sistema de 5 V)70mA

    Datos de Conexión

    Tecnología de conexión: entradas/salidas8 x CAGE CLAMP®
    Tipo de conexión (1)Entradas/salidas
    Conductor rígido0,08 … 2,5 mm² / 28 … 14 AWG
    Conductor flexible0,08 … 2,5 mm² / 28 … 14 AWG
    Longitud de pelado8 … 9 mm / 0.31 … 0.35 pulgadas