SSMELE 750-430

https://ssmadretierra.com/web/image/product.template/214/image_1920?unique=86fdb5c

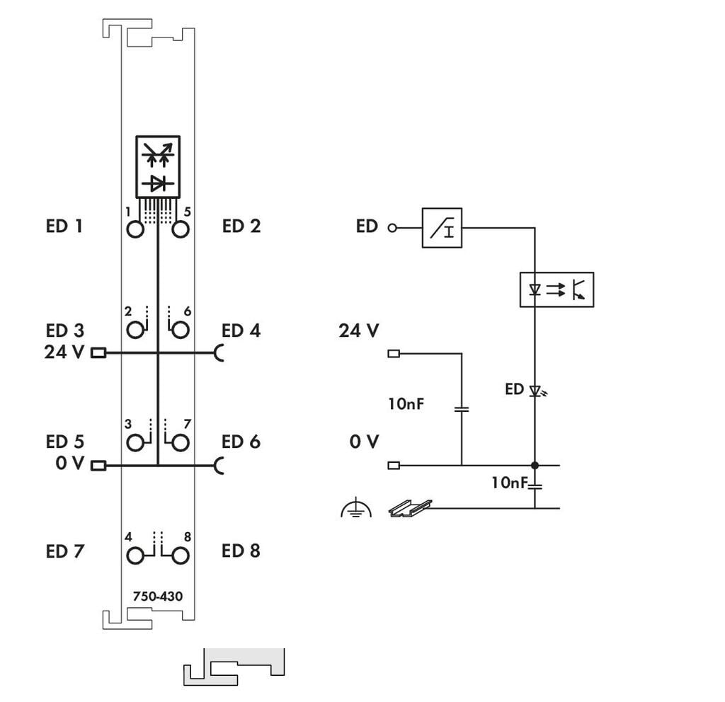
Entrada digital, 8 canales; 24 V DC; 3 ms
Tiempo de Entrega: 3 a 4 días.

2,391.61 2391.61 MXN 2,391.61

2,391.61

    Esta combinación no existe.