Inicio
Nosotros
Servicios
Productos
Marcas
SSMELE ART Batería 12V, 33AH, Para Respaldo, Tecnologías AGM/VRLA, 5 Años Vida Útil, Terminales NB, Reconocida UL
0
Iniciar sesión
Contáctanos
Todos los productos
SSMELE 750-452
Tarifa Normal
EXIROS
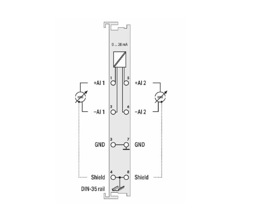
SSMELE 750-452
https://ssmadretierra.com/shop/ssmele-750-452-183
https://ssmadretierra.com/web/image/product.template/183/image_1920?unique=94851ce
2AI; 0-20 mA; Entrada diferencial
Tiempo de entrega: 3-4 semanas
$
8,979.74
8979.74
MXN
$
8,979.74
$
8,979.74
Esta combinación no existe.
AÑADIR AL CARRITO