SSMELE 750-461

https://ssmadretierra.com/web/image/product.template/113/image_1920?unique=2ce3d66

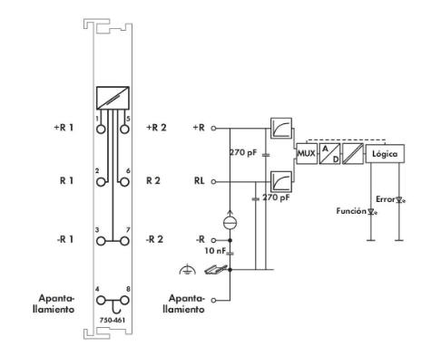
2AI; para sensores de resistencia Pt100-/RTD
Tiempo de entrega: 3 a 4 días.

9,424.62 9424.62 MXN 9,424.62

9,424.62

    Esta combinación no existe.