SSMELE 750-504

https://ssmadretierra.com/web/image/product.template/99/image_1920?unique=ca7d7f1

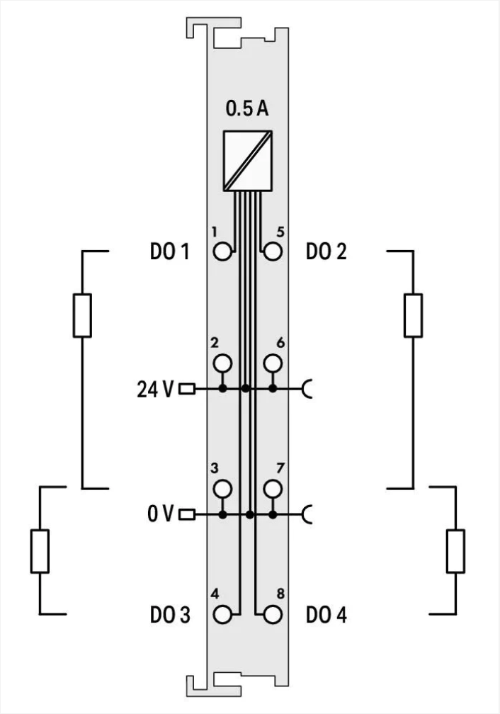
Salida digital, 4 canales; 24 V DC; 0,5 A
Este módulo de salida digital transmite señales de control desde el componente de automatización a los actuadores conectados.

Todas las salidas están protegidas contra cortocircuito.

Los niveles de campo y sistema están separados galvánicamente.

Tiempo de Entrega: 12 semanas

2,098.72 2098.7200000000003 MXN 2,098.72

2,098.72

    Esta combinación no existe.

    Datos Técnicos

    Número de salidas digitales4
    Número total de canales (módulo)4
    Tipo de señalTensión
    Tipo de señal de tensión24 VCC
    Conexión de actuador2 x (2 conductores, 3 conductores); También debe utilizarse un módulo de distribución de potencial adecuado (p. ej., 750-614) para conectar otros actuadores.
    Característica de salidaConmutación positiva (PNP)
    Corriente de salida por canal0.5A
    Corriente de salidaProtegido contra cortocircuito
    Frecuencia de conmutación (máx.)1 kHz
    Tipo de cargaCarga resistiva, inductiva, lámpara
    Disipación de energía por desconexión de carga inductiva (máx.)0.3J
    Anchura de datos de salida (interna) (máx.)4bits
    Tensión de alimentación (sistema)5 VCC; a través de contactos de datos
    Consumo de energía (alimentación de sistema de 5 V)10mA
    Tensión de alimentación (campo)24 VCC (-25 … +30 %); a través de contactos de potencia (fuente de alimentación a través de contacto de cuchilla; transmisión a través de contacto elástico)
    Consumo de energía, alimentación de campo (módulo sin carga externa)30mA
    Aislamiento500 kV para sistema/campo
    IndicadoresLED (A-D) verde: estado DO 1 … DO 4
    Número de contactos de potencia entrantes2
    Número de contactos de potencia salientes2
    Intensidad de corriente admisible (contactos de cuchilla)10A

    Datos de Conexión

    Tecnología de conexión: entradas/salidas8 x CAGE CLAMP®
    Tipo de conexión (1)Entradas/salidas
    Conductor rígido0,08 … 2,5 mm² / 28 … 14 AWG
    Conductor flexible0,08 … 2,5 mm² / 28 … 14 AWG
    Longitud de pelado8 … 9 mm / 0.31 … 0.35 pulgadas