SSMELE 750-514

https://ssmadretierra.com/web/image/product.template/101/image_1920?unique=23eed6d

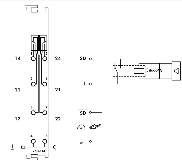
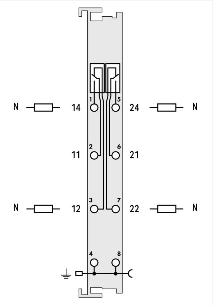
Salida relé, 2 canales; 125V AC; 0,5 A
Tiempo de Entrega: 7 semanas

2,177.70 2177.7 MXN 2,177.70

2,177.70

    Esta combinación no existe.

    Datos Técnicos

    Número de salidas digitales2
    Número total de canales (módulo)2
    Conexión de actuador2 x (1 conductor)
    Diseño de circuito de salida2 inversores
    Relés
    Característica de salidaSin potencial
    Frecuencia de conmutación (máx.)0,33 Hz
    Tensión de conmutación (máx.)125 VCA, 30 VCC
    Corriente de conmutación (máx.)0.5A
    Corriente de conmutación (nota)0,5 A a 125 VCA; 1 A a 30 VCC
    Tensión de conmutación (mín.)0.01V
    Corriente de conmutación (mín.)0.01mA
    Potencia de conmutación62,5 VA / 30 W
    Tiempo de establecimiento (máx.)4ms
    Tiempo de caída (máx.)4ms
    Operaciones de conmutación eléctrica (mín.) (a una carga resistiva máx.)100 x 10³ operaciones de conmutación
    Operaciones de conmutación mecánica (mín.) (a una carga resistiva máx.)100 x 10⁶ operaciones de conmutación
    Anchura de datos de salida (interna) (máx.)2bits
    Tensión de alimentación (sistema)5 VCC; a través de contactos de datos
    Consumo de energía (alimentación de sistema de 5 V)70mA
    Tensión de alimentación (campo)Transmisión potencial de tierra a través de contacto de potencia
    Aislamiento1500 kV (sistema/campo)
    IndicadoresLED (A, C) verde: Relé de estado 1, relé 2
    Número de contactos de potencia entrantes1
    Número de contactos de potencia salientes1
    Intensidad de corriente admisible (contactos de cuchilla)10A

    Datos de Conexión

    Tecnología de conexión: entradas/salidas8 x CAGE CLAMP®
    Tipo de conexión (1)Entradas/salidas
    Conductor rígido0,08 … 2,5 mm² / 28 … 14 AWG
    Conductor flexible0,08 … 2,5 mm² / 28 … 14 AWG
    Longitud de pelado8 … 9 mm / 0.31 … 0.35 pulgadas

    ; libre de potencial; 2 inversores