Inicio
Nosotros
Servicios
Productos
Marcas
SSMELE ART Batería 12V, 33AH, Para Respaldo, Tecnologías AGM/VRLA, 5 Años Vida Útil, Terminales NB, Reconocida UL
0
Iniciar sesión
Contáctanos
Todos los productos
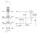
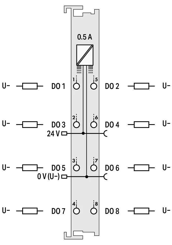
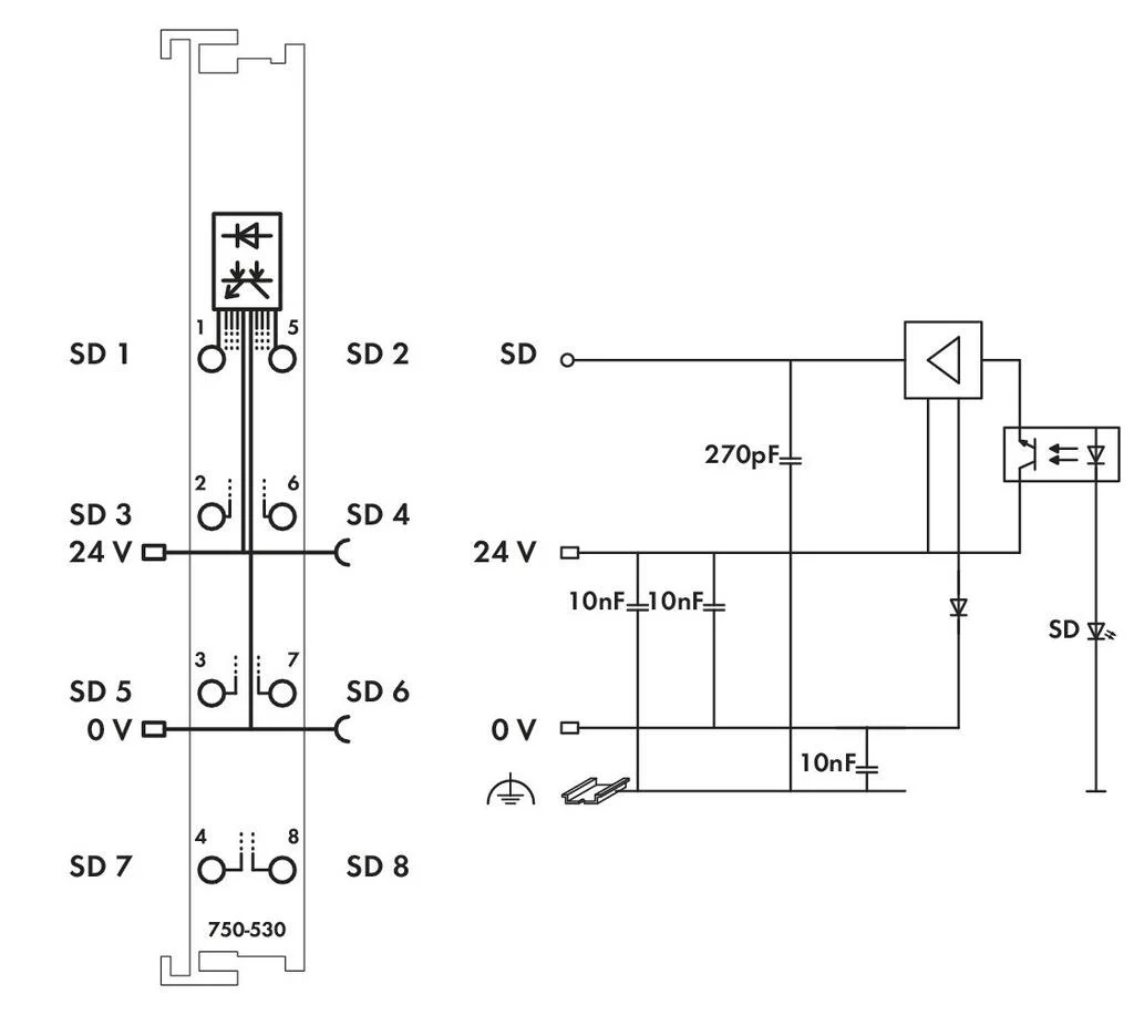
SSMELE 750-530
Tarifa Normal
EXIROS
SSMELE 750-530
https://ssmadretierra.com/shop/ssmele-750-530-136
https://ssmadretierra.com/web/image/product.template/136/image_1920?unique=c522a62
Salida digital, 8 canales; 24 V DC; 0,5 A
Tiempo de Entrega: 3-4 días.
$
2,551.75
2551.75
MXN
$
2,551.75
$
2,551.75
Esta combinación no existe.
AÑADIR AL CARRITO