Inicio
Nosotros
Servicios
Productos
Marcas
SSMELE ART Batería 12V, 33AH, Para Respaldo, Tecnologías AGM/VRLA, 5 Años Vida Útil, Terminales NB, Reconocida UL
0
Iniciar sesión
Contáctanos
Todos los productos
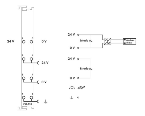
SSMELE 750-613
Tarifa Normal
EXIROS
SSMELE 750-613
https://ssmadretierra.com/shop/ssmele-750-613-177
https://ssmadretierra.com/web/image/product.template/177/image_1920?unique=adae407
Alimentación de sistema; 24 V DC
(Tiempo de entrega: 3-4 días)
$
5,557.33
5557.33
MXN
$
5,557.33
$
5,557.33
Esta combinación no existe.
AÑADIR AL CARRITO