SSMELE 751-9301 CC100

https://ssmadretierra.com/web/image/product.template/252/image_1920?unique=59a72ce

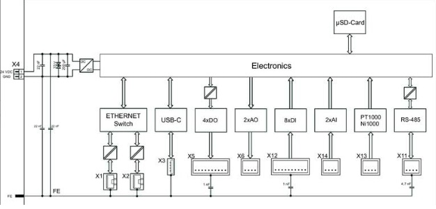
Controlador compacto 100; 8DI 4DO 2AI 2NI1K/PT1K 1RS485; 2 x ETHERNET; SD.
Tiempo de entrega: 3 a 4 días hábiles.

12,823.83 12823.83 MXN 12,823.83

12,823.83

    Esta combinación no existe.