SSMMEC GE30-FO-2RS

https://ssmadretierra.com/web/image/product.template/1614/image_1920?unique=5ac4850

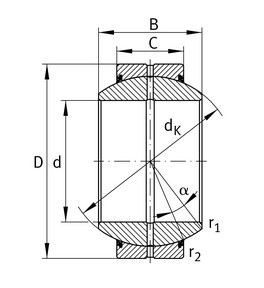
Rótula esférica radial
Marca: Schaeffler
Modelo: GE30-FO-2RS
Diámetro externo: 55mm
Diámetro interno: 30mm
Tiempo de entrega: 5 días hábiles

1,514.17 1514.17 MXN 1,514.17

1,514.17

    Esta combinación no existe.